Add to Cart
Sensor de gyroscope à fibre dynamique de navigation du véhicule, gyromètre à axe unique
Exigences relatives au transport et au stockage des gyros
Communiqué de transport
a) Placez le produit selon la direction indiquée sur la boîte d'emballage;
b) Lorsque la plage de température est de -40°C+70°C, il est autorisé à être transporté par route, chemin de fer, transport aérien et maritime;
c) Veiller à ce que la boîte d'emballage soit fixée au transporteur sans bouger pendant le transport.
Avis de stockage
a) Les produits placés dans la boîte d'emballage doivent être entreposés dans un entrepôt climatisé sous pression atmosphérique standard, température ambiante de 15°C à 35°C;
b) La durée de conservation du produit est de 15 ans.
Emballage et inspection
Inspection du déballage
a) Vérifier l'apparence de la boîte d'emballage en cas de collision et d'autres dommages physiques;
b) La protection contre l' électricité statique doit être effectuée lors du retrait du produit.
Inspection des pièces justificatives de livraison
a) le certificat de qualification du produit;
b) F70G Rapport d'acceptation du gyroscope à fibre optique en boucle fermée;
c) F70G Instructions d'entretien pour gyroscope à fibre optique en boucle fermée ((1 pièces par lot)
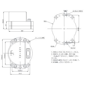
Les dimensions sont les suivantes:

Les caractéristiques:
● Conception entièrement en fibres - longue durée de vie, petite taille de l'emballage, grande stabilité et plus de résistance aux interférences.
● Polarisateur intégré en fibres - perte minimale d'insertion et taux d'extinction élevé, offrant une plus grande résistance à la température et aux chocs mécaniques, ainsi qu'une vibration intense.
● Un emballage compact et fiable - fonctionnellement robuste pour tous les types d'environnements, idéal pour une large gamme d'applications dans les domaines civil et militaire.
● Technologie QuichLaunch - temps d'activation minimal sans besoin d'étalonnage externe
● longueur d'onde optimale - améliore la sensibilité de 50% avec la même structure, taille et coût.
● Isolement du bruit et compression - réduit de manière significative la marche aléatoire en angle.
● Technologie SelfTrack - améliore la portée dynamique du gyro
Applications:
●UAV/AUV/hélicoptère
●Armes nucléaires tactiques
●Aéronautique et astronautique
● Système de navigation intégré
● stabilisation de la plateforme par inertie
● Navigation du véhicule
Caractéristiques de performance:
| Je ne veux pas. | Paramètre | F70G | Unité | Les commentaires | |||||
| 1 | Taux angulaire maximal | ± 800 | °/s | ||||||
| 2 | Facteur d'échelle |
45000 fois (1 ± 5%) |
SP/°/s | ||||||
| 3 | Facteur d'échelle non linéaire à température ambiante | ≤ 50 | en ppm | @ 25°C | |||||
| 4 | Répétabilité par facteur d'échelle à température ambiante | ≤ 50 | en ppm | @ 25°C | |||||
| 5 |
Répétabilité par facteur d'échelle à pleine température
|
≤ 100 | en ppm | -40°C à +70°C | |||||
| 6 | Stabilité du biais à température ambiante | ≤ 01 | 10 s ((1 σ,°/h) | @ 25°C | |||||
| 7 | Répétabilité du biais à température ambiante | ≤ 01 | (1σ,°/h) | Les préjugés | |||||
| 8 | Répétabilité du biais à température d'eau | ≤ 02 | (1σ,°/h) | -40°C à +70°C | |||||
| 9 | Temps d'activation | 0 | minutes | ||||||
| 10 | Une promenade aléatoire | 0.005 | o/√h | ||||||
| 11 |
Valeur de biais pendant les vibrations/avant les vibrations/ après vibration |
≤ 03 | °/h | ||||||
| 12 | valeur de biais avant/après vibration) | ≤ 03 | °/h | ||||||
| 13 | Sensibilité magnétique | ≤ 02 | °/h/g | Optionnel | |||||
| 14 | Stabilité du biais pendant le changement de vide | ≤ 03 | °/h | La valeur de l'échantillon doit être supérieure ou égale à: | |||||
| 15 | Vibration |
20 Hz à 2000 Hz
|
Hz/10min | ||||||
| X | Y | Z | |||||||
| 16 | Les effets | 15g ((3 fois) | Une demi-onde sinusoïdale/11 ms | ||||||
| ± X | ± Y | ±Z | |||||||
Énergie
| Énergie électrique | +5V | - 5 V |
| La fluctuation de la tension | 4.75V à 5,25V | -4,75 V à 5,25 V |
| Voltage d'ondulation nominale | 20 mV | 20 mV |
| Consommation d'électricité | 1.5A | 0.6A |
Le présent règlement est obligatoire dans tous ses éléments.